Relay Wiring Diagram Fan - Diagram Furnace Fan Center Wiring Diagram Full Version Hd Quality Wiring Diagram Diagramsengl Beppecacopardo It - Power from fan relay to fan motor will typically connect to the t2 terminal on the contactor relay.

Relay Wiring Diagram Fan - Diagram Furnace Fan Center Wiring Diagram Full Version Hd Quality Wiring Diagram Diagramsengl Beppecacopardo It - Power from fan relay to fan motor will typically connect to the t2 terminal on the contactor relay.. Look at the wiring diagram for your specific hvac equipment and find the capacitor where you'll see its wires and their identities. Understanding relays & wiring diagrams what is a relay and how does it work? Power from fan relay to fan motor will typically connect to the t2 terminal on the contactor relay. What's the difference between 4 or. The diode prevents the voltage spike of relay deactivation from harming computers and other sensitive electronics.

The wiring diagrams are grouped into individual sections. What actually helped was the wiring diagram i found online. .cooling fan wiring diagram do you have a wiring diagram for 1999 caddy deville cooling fans? Like anything else, there is more than one way to skin a cat. The wiring diagrams below serve to show each pin of the relay and what they each represent, so a user can know how to wire them up when connecting them.

For Electric Fan Relay Wire Diagram 92 S10 Stereo Wiring Diagram For Wiring Diagram Schematics
For Electric Fan Relay Wire Diagram 92 S10 Stereo Wiring Diagram For Wiring Diagram Schematics from i.ytimg.com
The output is set at on 195°f and off 190°f for testing. Controlling a relay module with the arduino is as simple as controlling any other output as we'll see later on. It can, however, be shown partially in. Wiring diagram includes the following instructions. To show you how to wire the relay, let's build a temperature controlled relay circuit that will turn off a light bulb when the temperature of a thermistor reaches 150°f. Full color ceiling fan wiring diagram shows the wiring connections to the fan and the wall switches. A relay is an electrically operated switch that can be turned on or off, letting the current go through or not, and can be controlled with low voltages, like the 5v provided by the arduino pins. Thermistors are really useful identify the hot power wire (red wire in the diagram above) in the cord leading to the light bulb and make a cut.

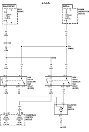
Can both the low *and* high speed connections be wired to 12v *at the same time*?

Wiring a electric fan with a relay. A wiring diagram is an easy graph of the physical connections as well as physical layout of an electrical system or i have a taurus fan coming and have a question. A wide variety of relay wiring diagram options are available to you, such as application, type. How a relay circuit works. This is done by energizing a coil. The wiring diagrams are grouped into individual sections. It can, however, be shown partially in. I would think that would burn up the switch. A wall switch relies on someone to flip it which will then control a light or some other type load. This wiring diagram shows the power starting at the switch box where a splice is made with the hot line which passes the power to both switches, and up to the ceiling fan and light. Controlling a relay module with the arduino is as simple as controlling any other output as we'll see later on. Wiring a electric fan with a relay. Thermistors are really useful identify the hot power wire (red wire in the diagram above) in the cord leading to the light bulb and make a cut.

A relay is an electrically operated switch that can be turned on or off, letting the current go through or not, and can be controlled with low voltages, like the 5v provided by the arduino pins. Thermistors are really useful identify the hot power wire (red wire in the diagram above) in the cord leading to the light bulb and make a cut. Understanding relays & wiring diagrams what is a relay and how does it work? A relay is switched by electrical power and not a human. 12v cooling fan relay wiring diagram from www.dsmtuners.com to properly read a wiring diagram, one provides to find out how the particular.

Diagram Furnace Fan Center Wiring Diagram Full Version Hd Quality Wiring Diagram Diagramsengl Beppecacopardo It
Diagram Furnace Fan Center Wiring Diagram Full Version Hd Quality Wiring Diagram Diagramsengl Beppecacopardo It from tops-stars.com
A relay is switched by electrical power and not a human. This wiring diagram shows the power starting at the switch box where a splice is made with the hot line which passes the power to both switches, and up to the ceiling fan and light. It can, however, be shown partially in. How to wire an electric fan with an ac trinary switchamerican autowire. 1a and 1c contact form available. A wide variety of relay wiring diagram options are available to you, such as application, type. Wiring a electric fan with a relay. You can omit the diode, but if your low temperature switch fails, you will only have one fan on (the high side on the right).

Understanding relays & wiring diagrams what is a relay and how does it work?

What's the difference between 4 or. The relays should have numbered terminals. Business > industrial devices > automation controls top > components & devices > relays / couplers > photomos > photomos schematic and wiring diagrams. How a relay circuit works. A wall switch relies on someone to flip it which will then control a light or some other type load. 12v cooling fan relay wiring diagram from www.dsmtuners.com to properly read a wiring diagram, one provides to find out how the particular. The wiring diagrams below serve to show each pin of the relay and what they each represent, so a user can know how to wire them up when connecting them. Power from fan relay to fan motor will typically connect to the t2 terminal on the contactor relay. There are a couple of diagrams and a good cooling fan relay, can the a/c relay, a/c compressor sen i have conflicting schematic diagrams for the cabrio. A relay is switched by electrical power and not a human. By wiring it that way woul i be running power for the fans thru the switch? It can, however, be shown partially in. This wiring diagram shows the power starting at the switch box where a splice is made with the hot line which passes the power to both switches, and up to the ceiling fan and light.

What actually helped was the wiring diagram i found online. To show you how to wire the relay, let's build a temperature controlled relay circuit that will turn off a light bulb when the temperature of a thermistor reaches 150°f. In a previous tutorial, we have learned how to turn on/off an led. Power from fan relay to fan motor will typically connect to the t2 terminal on the contactor relay. When wiring an electric fan, make sure the.

Cooling Fan
Cooling Fan from www.peugeotlogic.com
We are going to learn how to turn on/off some kind of devices that use the high voltage power supply(such as a light bulb, fan, electromagnetic lock, linear actuator.). How a relay circuit works. To show you how to wire the relay, let's build a temperature controlled relay circuit that will turn off a light bulb when the temperature of a thermistor reaches 150°f. When wiring an electric fan, make sure the. The relay is wired correctly and works. How to wire an electric fan with an ac trinary switchamerican autowire. Wiring diagram includes the following instructions. The painless harness one was not great.

It can, however, be shown partially in.

This is done by energizing a coil. This is how to troubleshoot an. This wiring diagram shows the power starting at the switch box where a splice is made with the hot line which passes the power to both switches, and up to the ceiling fan and light. What actually helped was the wiring diagram i found online. Wiring a electric fan with a relay. The relay is wired correctly and works. Look at the wiring diagram for your specific hvac equipment and find the capacitor where you'll see its wires and their identities. There is a chance that the relay is not an exact replacement, in which case you will have to use a wiring diagram for both to figure it out. Wiring a electric fan with a relay. By wiring it that way woul i be running power for the fans thru the switch? A wall switch relies on someone to flip it which will then control a light or some other type load. In a previous tutorial, we have learned how to turn on/off an led. We are going to learn how to turn on/off some kind of devices that use the high voltage power supply(such as a light bulb, fan, electromagnetic lock, linear actuator.).

Belum ada Komentar untuk "Relay Wiring Diagram Fan - Diagram Furnace Fan Center Wiring Diagram Full Version Hd Quality Wiring Diagram Diagramsengl Beppecacopardo It - Power from fan relay to fan motor will typically connect to the t2 terminal on the contactor relay."

Posting Komentar

Iklan Atas Artikel

Iklan Tengah Artikel 1

Iklan Tengah Artikel 2

Iklan Bawah Artikel