Bathroom Fan Switch Wiring Diagram / Basic Bath Wiring Diagram 1972 Yamaha Ls2 Wiring Diagram Geboy Madfish It / This wiring diagram shows an easy to follow configuration for a bathroom extractor fan fitted with a timer that s not going to be turned on by the existing light switch.

Bathroom Fan Switch Wiring Diagram / Basic Bath Wiring Diagram 1972 Yamaha Ls2 Wiring Diagram Geboy Madfish It / This wiring diagram shows an easy to follow configuration for a bathroom extractor fan fitted with a timer that s not going to be turned on by the existing light switch.. The fan has 6 wires coming out of it: Connects to most bluetoothsupsup enabled smartphones tablets and laptops. How to wire a bathroom exhaust fan and the wiring for the switches exhaust fan wiring when installing a bathroom exhaust fan the overhead or vanity lighting circuit wiring may be used as the power source as long as the fan unit to be installed dies not have additional features such as heating elements which require a new dedicated circuit. Combination light, fan and heating units can be incredibly helpful in smaller bathrooms and similar areas in your home not served by heating vents. Light fixtures and wall switches must be on a separate circuit.

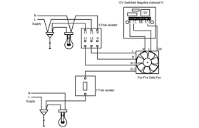
The brown is labeled 'for humidity sensor or speed control'. The vent fan may be powered by this circuit. Bath fan and light wiring diagram, how to wire a bathroom fan and light independently diagram, how to wire a bathroom fan and light on one switch diagram, how to wire a bathroom fan and light on separate switches diagram, how to wire a bathroom fan and light switch diagram, how to wire a bathroom fan with heater and light diagram, wiring. To wire an exhaust fan to a wall switch, use this diagram. Now one of the cables in the switch box is the supply.

Diagram Bathroom Exhaust Fan And Light Switch Wiring Diagram Full Version Hd Quality Wiring Diagram Militarywirings Efran It
Diagram Bathroom Exhaust Fan And Light Switch Wiring Diagram Full Version Hd Quality Wiring Diagram Militarywirings Efran It from www.buildmyowncabin.com
It shows the elements of the circuit as simplified forms, and also the power and also signal connections in between the tools. It shows the elements of the circuit as simplified forms, as well as the power as well as signal connections between the tools. The fan has 6 wires coming out of it: The bathroom lights are operated from a pull switch, the isolator switch is adjacent to the pull switch on the corridor side of a stud partition. See more ideas about light switch wiring, bathroom fan light, ceiling fan wiring. Abf110dh l1, abf110dh l5, abf110dh l6 (2 switches required) 1 switch w/3 functions (fan, light, night light) 1 secondary switch (see wiring diagram b for more information.) Am i going crazy or does the wiring diagram on p.3 of the manual suggest that you need two switches for this: Broan 50 cfm ceiling bathroom exhaust fan with light and heater broan 50 cfm ceiling bathroom exhaust fan with light and heater.

The home netwerks bath fan speaker in one with led light will allow you to stream music wirelessly in your bathroom.

How to wire a bathroom exhaust fan and the wiring for the switches exhaust fan wiring when installing a bathroom exhaust fan the overhead or vanity lighting circuit wiring may be used as the power source as long as the fan unit to be installed dies not have additional features such as heating elements which require a new dedicated circuit. Wiring diagram for a bathroom exhaust fan. Wire bathroom fan and light two switches by saum hadi posted on august 28 2018 how to wire a 3 way light switch family handyman wiring bathroom fan electrical bination two switch wiring diagram wiring diagrams for a ceiling fan and light kit do it bathroom heat light fan switch wiring diagram wall. The brown is labeled 'for humidity sensor or speed control'. It shows the elements of the circuit as simplified forms, and also the power and also signal connections in between the tools. Assortment of broan bathroom fan wiring diagram. The home netwerks bath fan speaker in one with led light will allow you to stream music wirelessly in your bathroom. Typically the bathroom vent fan motor is powered by the bathroom ceiling light fixture circuit; It shows the elements of the circuit as simplified forms, as well as the power as well as signal connections between the tools. If you have one of these you may have wired the fan and light to separate switches. Bathroom fan wiring (fan timer switch) this exhaust fan or bathroom fan wiring configuration uses a fan timer switch. Am i going crazy or does the wiring diagram on p.3 of the manual suggest that you need two switches for this: To wire an exhaust fan to a wall switch, use this diagram.

Wiring diagram for bathroom fan from i.pinimg.com print the cabling diagram off and use highlighters in order to trace the routine. Connects to most bluetoothsupsup enabled smartphones tablets and laptops. When i found out i could get a fan sensor and timer my mind was blown. The above two conductor switch wiring diagram is from older homes and is likely not used much anymore depending on which code book is in force in each jurisdiction. Diagram 12v bathroom fan wiring full version hd quality hyperdiagram22 bookextracts it.

Diagram Kdk Exhaust Fan Wiring Diagram Full Version Hd Quality Wiring Diagram Diagramreels Gisbertovalori It
Diagram Kdk Exhaust Fan Wiring Diagram Full Version Hd Quality Wiring Diagram Diagramreels Gisbertovalori It from www.doityourself.com
The wiring instructions for your new hunter fan differ slightly based on the type of wall switch and your fan's control system (pull chain, remote control, etc.). A wiring diagram is a streamlined conventional pictorial depiction of an electrical circuit. The bathroom lights are operated from a pull switch, the isolator switch is adjacent to the pull switch on the corridor side of a stud partition. Abf110dh l1, abf110dh l5, abf110dh l6 (2 switches required) 1 switch w/3 functions (fan, light, night light) 1 secondary switch (see wiring diagram b for more information.) If you have one of these you may have wired the fan and light to separate switches. Bathroom fan wiring (fan timer switch) this exhaust fan or bathroom fan wiring configuration uses a fan timer switch. How to wire a bathroom exhaust fan and the wiring for the switches exhaust fan wiring when installing a bathroom exhaust fan the overhead or vanity lighting circuit wiring may be used as the power source as long as the fan unit to be installed dies not have additional features such as heating elements which require a new dedicated circuit. By wiring the two separately, you can control each independently, resulting in a more efficient bathroom.

How to wire a bathroom exhaust fan and the wiring for the switches exhaust fan wiring when installing a bathroom exhaust fan the overhead or vanity lighting circuit wiring may be used as the power source as long as the fan unit to be installed dies not have additional features such as heating elements which require a new dedicated circuit.

By wiring the two separately, you can control each independently, resulting in a more efficient bathroom. All the neutrals (whites) go together. Typically the bathroom vent fan motor is powered by the bathroom ceiling light fixture circuit; Three core and earth has been run from the pull switch to the extractor fan. The new fan is a nutone qtxn110hl. In this video i give a step by step guide of how to fit, install and wire a bathroom. Run an electrical cable from the bathroom fan to the housing box in the ceiling. Wire bathroom fan and light two switches by saum hadi posted on august 28 2018 how to wire a 3 way light switch family handyman wiring bathroom fan electrical bination two switch wiring diagram wiring diagrams for a ceiling fan and light kit do it bathroom heat light fan switch wiring diagram wall. This electrical repair project is best performed by a licensed electrical contractor or certified electrician. Basic electricians pouch hand tools and voltage tester. A wiring diagram is a streamlined conventional pictorial depiction of an electrical circuit. A separate circuit is required for a whirlpool tub or any other large fixture or appliance in the bathroom. Double pole isolating switch wiring how to install a fan isolator diagram 4 full bathroom 2003 nissan extractor with f excel 3 electrical ings retrotouch crystal for mk padlock way rotary 12v installation and instructions switches hager uk wire boat beginners guide naimer non on 4430 master battery cut off.

How to fit and install a bathroom extractor fan with or without a timer. Wiring diagram for a bathroom exhaust fan. That one's hot wire needs to be split 3 ways, e.g. The bathroom lights are operated from a pull switch, the isolator switch is adjacent to the pull switch on the corridor side of a stud partition. When you make use of your finger or even stick to the circuit with your eyes, it may be easy to mistrace the circuit.

Diagram Bathroom Heat Light Fan Switch Wiring Diagram Wall Full Version Hd Quality Diagram Wall Diagramax Cscervino It
Diagram Bathroom Heat Light Fan Switch Wiring Diagram Wall Full Version Hd Quality Diagram Wall Diagramax Cscervino It from www.diychatroom.com
There will be a cover on the connection box that fastens with a small screw. The vent fan may be powered by this circuit. Now one of the cables in the switch box is the supply. This wiring diagram shows an easy to follow configuration for a bathroom extractor fan fitted with a timer that s not going to be turned on by the existing light switch. The home netwerks bath fan speaker in one with led light will allow you to stream music wirelessly in your bathroom. When you make use of your finger or even stick to the circuit with your eyes, it may be easy to mistrace the circuit. Wiring diagram for a bathroom exhaust fan. Typically the bathroom vent fan motor is powered by the bathroom ceiling light fixture circuit;

The fan has 6 wires coming out of it:

Sure, the fan is great to have on during a shower, but it's unnecessary when brushing your teeth. 2 black, 2 white, 1 brown, and ground; Now one of the cables in the switch box is the supply. If you are lucky, you will be able to pull the cable through the ceiling to the housing box from a spot above. One for the fan and one for the humidity sensor? Wiring a combination bathroom ceiling exhaust fan and light unit with the fan and light being controlled by separate wall switches is an easy project even for a beginner. When i found out i could get a fan sensor and timer my mind was blown. Choices of light switch wiring diagrams. Three core and earth has been run from the pull switch to the extractor fan. Wiring diagram for bathroom fan from i.pinimg.com print the cabling diagram off and use highlighters in order to trace the routine. There will be a cover on the connection box that fastens with a small screw. Am i going crazy or does the wiring diagram on p.3 of the manual suggest that you need two switches for this: I also had a fan heater light.

Belum ada Komentar untuk "Bathroom Fan Switch Wiring Diagram / Basic Bath Wiring Diagram 1972 Yamaha Ls2 Wiring Diagram Geboy Madfish It / This wiring diagram shows an easy to follow configuration for a bathroom extractor fan fitted with a timer that s not going to be turned on by the existing light switch."

Posting Komentar

Iklan Atas Artikel

Iklan Tengah Artikel 1

Iklan Tengah Artikel 2

Iklan Bawah Artikel